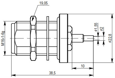
СРК-III-РГ-178-ЦО-1100

Наличие: В наличии

По всем интересующим вопросам Вы сможете связаться с нами по контактным телефонам:

+7(495)137-73-16
А также по электронной почте: info@rt-systems.ru


Артикул: 108995 Категория: Метки: ,

Децимальный номер: РТСЕ.434511.138-17
Оптимальный диапазон часот, ГГц: 0-12
Максимальный КСВН: 1,16
Материал корпуса: латунь
Покрытие корпуса: никель
Материал центрального контакта: фосфористая бронза
Покрытие: золото
Материал диэлектрика: фторопласт

Тип разъема

III

Вид разъема

розетка

Конструктив

прямой

Прокрутить вверх